a股今日最新行情-今日短线股票黑马-【东方资本】,今日股票配资平台,股票配资炒股下载哪个软件,今天买什么股票会赚钱

服務熱線:400-969-1233
新聞中心

SINCE1952

始于1952

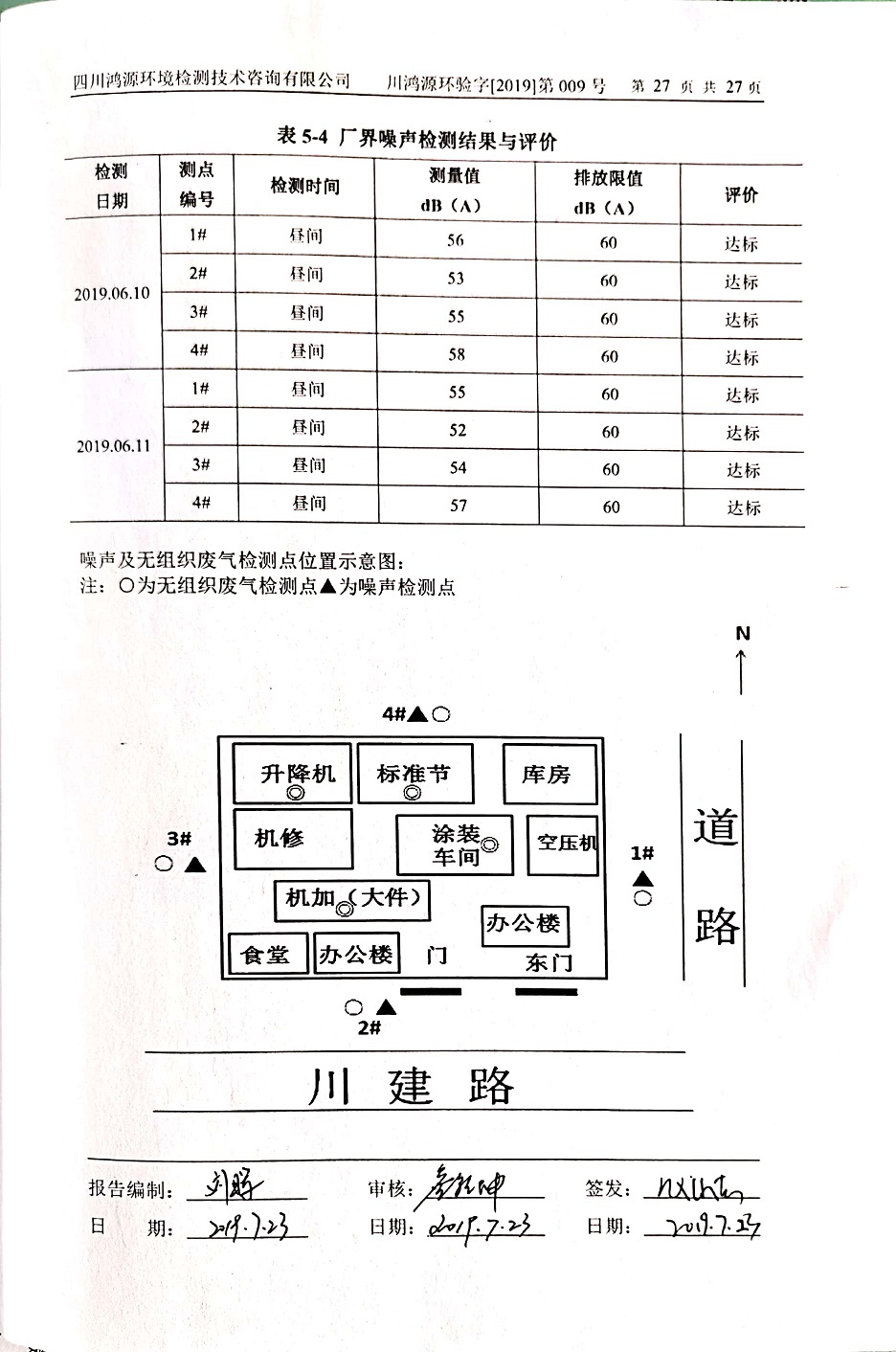
公司廢氣、廢水、噪聲檢測報告
發布時間:2019-08-30 閱讀次數:6349 來源:


微信圖片_20200713151624.jpg

微信圖片_20200713164634.jpg


關閉

安川變頻器GA700技術手冊

關注川建微信公眾號 快速掌握最新資訊